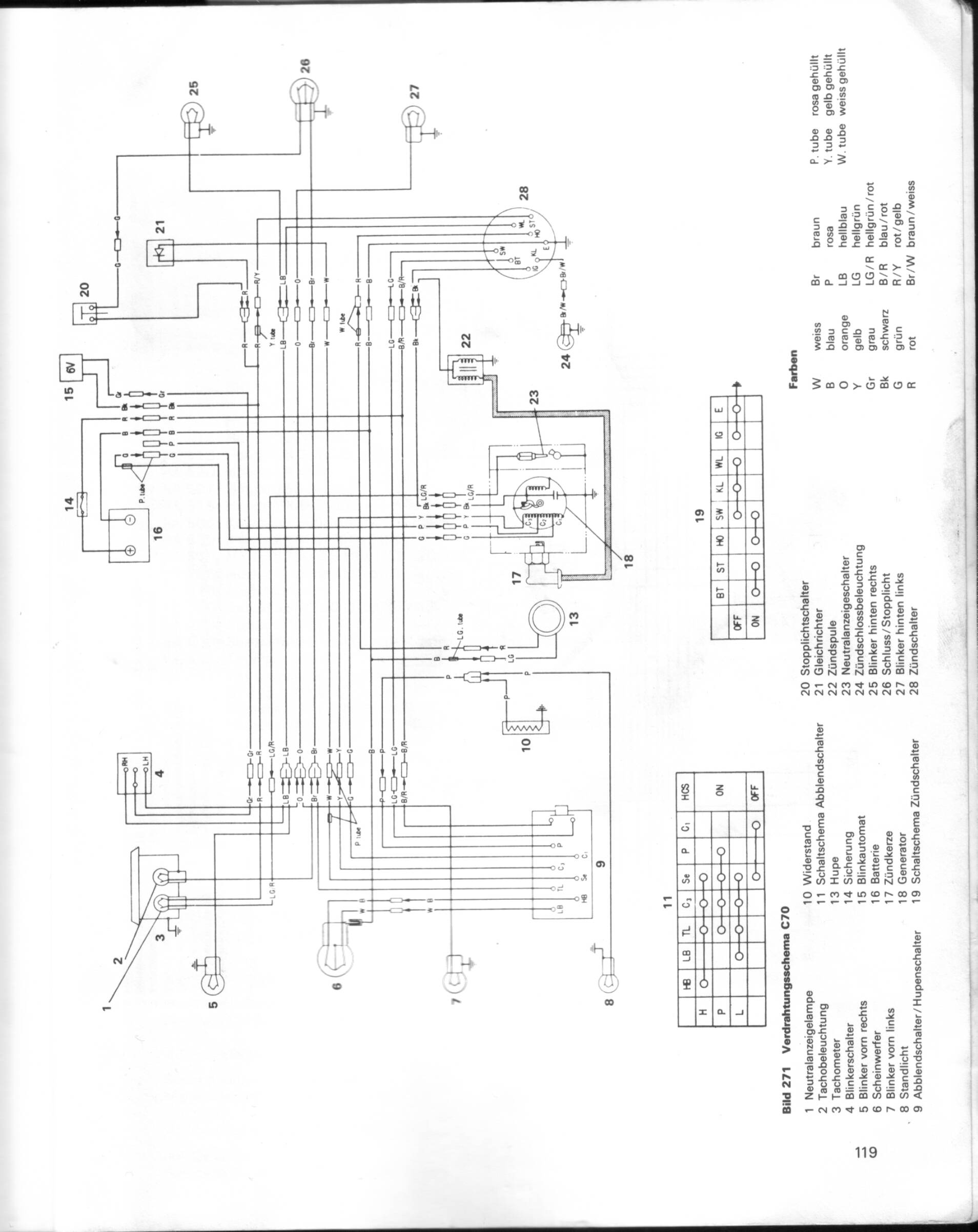
Schaltplan Honda Dax Dax 12v Lichtmaschine Geeignetem Abzieher Befindet Vorzubeugen Kurbelwelle
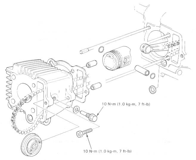
Kolben kolbenringe demontage steuerkette s70. Schaltplan bild. Dax schaltplan electrique 6v takter st70 ledningsdiagram 4stroke st50 stromlaufplan elektrik fingerspidserne ducato cdi lifan combles schnitt neuf wire odicis
schaltplan honda dax
Download PDF
If you are {looking for|searching about} Honda NX 650 Dominator Wiki you've {came|visit} to the right {place|web|page}. We have 16 {Pics|Pictures|Images} about Honda NX 650 Dominator Wiki like [DIAGRAM] Honda Monkey Wiring Diagram FULL Version HD Quality Wiring, Honda Dax Restauration: Schaltplan Honda Dax ST50 in Farbe and also Honda Jazz (GD) - Nachrüstung AUX-IN : ElHeineken. {Read more|Here you go|Here it is}:
Dominator nx650 schaltplan rd08 xr400 diagrams nx fmx xr650l xrv


Reihenfolge loser paar. Honda dax restauration: schaltplan honda dax st50 in farbe. Wiring diagram honda dax. Datei:st50typgr.jpg
12V-Lichtmaschine | Honda Dax Wiki | FANDOM powered by Wikia
Moped-Garage.net | Honda Dax ST 50 ST 70 Fahrer Handbuch
Bild - Sp2.jpg | Honda Dax Wiki | FANDOM powered by Wikia
Honda Jazz (GD) - Nachrüstung AUX-IN : ElHeineken
Honda Dax Restauration

Tidak ada komentar:
Posting Komentar