Appel Wiring Diagram Air Conditioner Air Conditioner Electrical Wiring : Electrical
Wiring air conditioners : how to install a split system air conditioner. Wiring diagram air ac electrical phase conditioning diagrams split window conditioner lg systems voltage regulator system hvac wire mini unit. Electrical wiring diagrams for air conditioning systems – part two
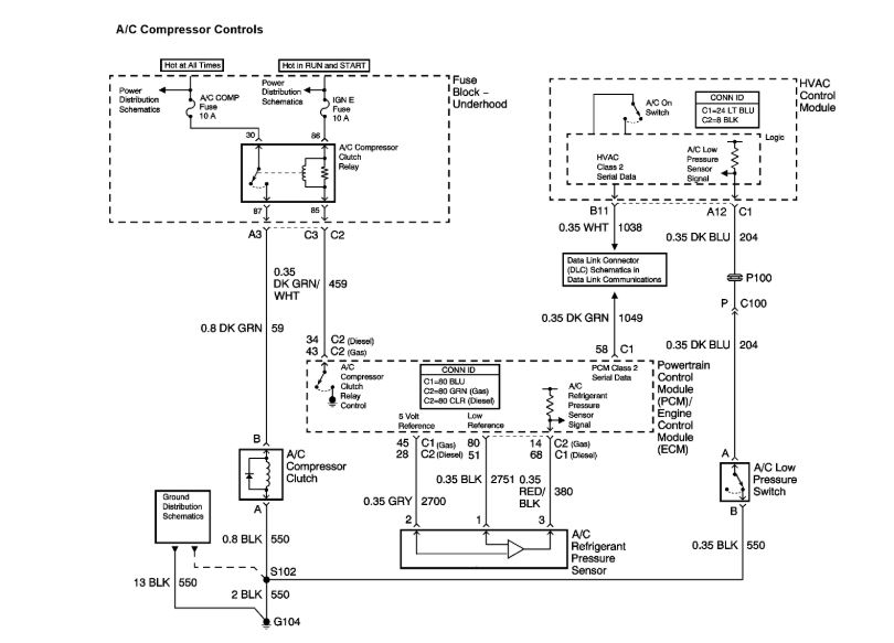
appel wiring diagram air conditioner
Download PDF
Electrical wiring diagrams for air conditioning systems – part two


Split system air conditioner wiring diagram : how to wire an air. Diagram wiring split air conditioner system. Split system air conditioner wiring diagram : how to wire an air. Wiring diagram air ac electrical phase conditioning diagrams split window conditioner lg systems voltage regulator system hvac wire mini unit
My Air Conditioner Is Not Working?: Has No Power to, Page 4
Wiring Air Conditioners : How To Install A Split System Air Conditioner
Electrical Wiring Diagrams for Air Conditioning Systems – Part Two
welcome to TRIE's blog: November 2012
Air Conditioning Wiring

Tidak ada komentar:
Posting Komentar